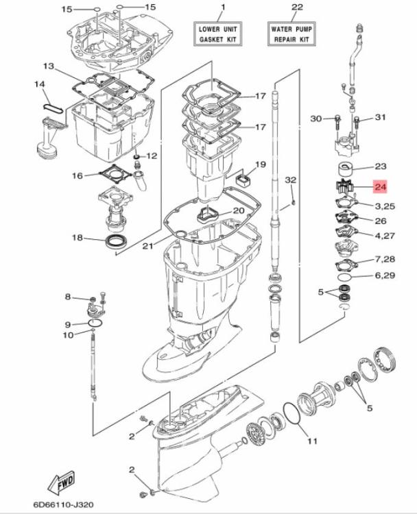
original Yamaha Marine Impeller / Wasserpumpenrad / Pumpenflügelrad F80 B / F100 D Bootsmotoren / Aussenborder (4-Takt Modelle) - 80 / 100 PS - 67F-44352-00
Der Impeller sollte nach 5 Jahren gewechselt werden oder bei Verschleiß.
Yamaha Teile Nummer: 67F-44352-00
Für die Bestellung von Yamaha Ersatzteilen geben Sie bitte unbedingt den Modellcode (beginnt mit einer 6) und die Seriennummer Ihres Yamaha Außenbordmotors an. Anhand der Motorseriennummer prüfen wir manuell die Kompatibilität der Teile zu Ihrem Außenborder. Bei älteren Modellen können die Preise gegebenenfalls variieren. Wenn wir keine Seriennummer von Ihnen erhalten, versenden wir den Artikel wie bestellt. Das dafür vorgesehene Eingabefeld befindet sich direkt über dem Artikelpreis.