original Yamaha Marine WATER PUMP REPAIR KIT / Impeller Set zum Austausch / Instandsetzung der Wasserpumpe bei F150C / F150D / F175C / F200A / F200B / F200C / F225B Aussenborder / Bootsmotor - 150 bis 225 PS - 61A-W0078-A4
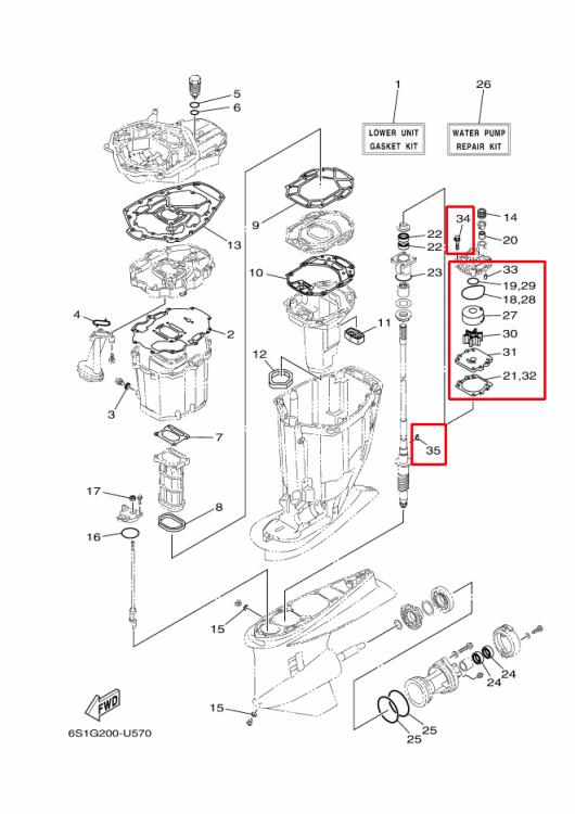
Enthaltene folgende Teile (siehe Abbildung 4 Pos. 1):
| Teilenummer |
Bezeichnung |
Menge |
| 61A-44322-02 |
Wasserpumpengehäuseeinsatz, Metall |
1 |
| 6E5-44315-A0 |
Wasserpumpengehäusedichtung, Papier |
1 |
| 6E5-44352-01 |
Impeller |
1 |
| 6EK-44323-00 |
Wasserpumpenbodenplatte, Metall |
1 |
| 90119-08191 |
Schraube mit Unterlegscheibe |
4 |
| 90280-04M05 |
Scheibenfeder |
1 |
| 93210-37M67 |
O-Ring klein |
1 |
| 93210-86M38 |
O-Ring groß |
1 |
| 93606-12019 |
Pin |
2 |
Yamaha Ersatzteil Nummer: 61A-W0078-A4 WATER PUMP REPAIR KIT, ersetzt 61A-W0078-A3, 61A-W0078-A2
Für die Bestellung von Yamaha Ersatzteilen geben Sie bitte unbedingt den Modellcode (beginnt mit einer 6) und die Seriennummer Ihres Yamaha Außenbordmotors an. Anhand der Motorseriennummer prüfen wir manuell die Kompatibilität der Teile zu Ihrem Außenborder. Bei älteren Modellen können die Preise gegebenenfalls variieren. Wenn wir keine Seriennummer von Ihnen erhalten, versenden wir den Artikel wie bestellt. Das dafür vorgesehene Eingabefeld befindet sich direkt über dem Artikelpreis.